Enstatita-Ferrosilita (Enstatite-Ferrosilite)

NOMBRE: ENSTATITA-FERROSILITA (SERIE)

FÓRMULA: MgSiO3 - FeSiO3

SISTEMA: Rómbico

GRUPO: Inosilicatos/piroxenos


FORMA: Prismas cortos alargados según el eje c (cuando es automorfo), en orientaciones perpendiculares a este, la sección presenta forma octogonal (o cuadrada)

COLOR: Desde incoloro, verde, verde amarillento o marrón muy claros (Mg), hasta verde, rojizo o marrón oscuro con el aumento del contenido en Fe

PLEOCROÍSMO: Verde claro a marrón rojizo (rosado), suave en los términos más magnesianos

MACLAS: Raras

EXFOLIACIÓN: Dos buenas paralelas a las caras del prisma {210}. Partición sobre {100}, {010} y ~{001}

ÍNDICES DE REFRACCIÓN

    nα: 1,649 - 1,768

    nβ: 1,653 - 1,770

    nγ: 1,657 - 1,788

RELIEVE: Medio +  a  Alto +

BIRREFRINGENCIA: 0,007   a  0,020 (Baja-Media)

COLOR DE INTERFERENCIA: Amarillos o naranjas de primer orden, normalmente grises en la enstatita.

ORIENTACIÓN: nα=b, nβ=a, nγ=c; plano óptico (100)

ELONGACIÓN: Positiva

ÁNGULO DE EXTINCIÓN: 0º = recta

SIGNO ÓPTICO: Biáxico (+ -)    ángulo 2V: 50 - 90


OTROS DATOS: En las secciones basales del los prismas los dos sistemas de exfoliación forman ~88o, pudiendo aparecer un tercer sistema {010} más fino y regular. Los términos extremos, enstatita y  ferrosilita son B(+), mientras que los términos intermedios son B(-). El ángulo 2V varía con el contenido en Fe. Las exsoluciones finas paralelas a {010} pueden parecer un maclado polisintético. Inclusiones de minerales opacos orientadas en los planos (010) y (001) dan lugar a texturas “Schiller”

ASOCIACIÓN: Enstatita: rocas ígneas básicas como peridotitas, gabros, piroxenitas, noritas y basaltos. En meteoritos.

Ferrosilita: rocas ígneas básicas, gabros, noritas. En granitos tipo charnokítico. En lavas andesíticas.

Los ortopiroxenos también pueden darse en rocas metamórficas de alta presión y temperatura (granulitas), o en rocas con metamorfismo de contacto de muy alta temperatura

Ortopiroxeno, enstatita automorfa en una roca volcánica (plagioclasas, opacos y anfíboles).

Lado mayor de la imagen = 3.5 mm.

Misma zona, con polarizadores cruzados.

Enstatita xenomorfa en nódulos de dunita en una roca volcánica (olivino y min. opacos).

Lado mayor de la imagen = 6.5 mm.

Misma zona, con polarizadores cruzados. La enstatita presenta colores de interferencia bajos.

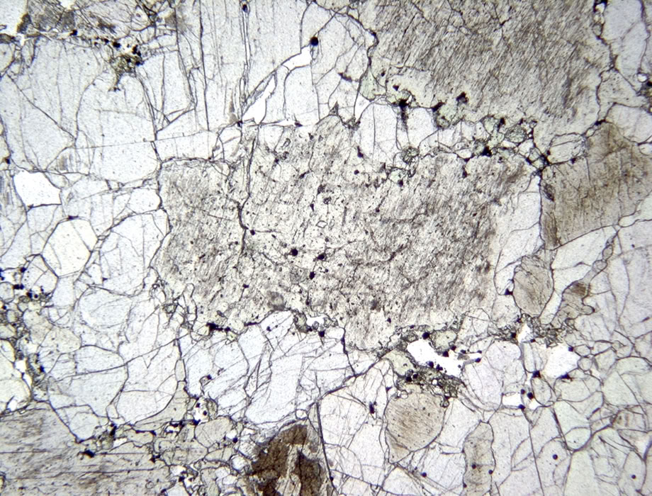
Ortopiroxeno, enstatita xenomorfa en una roca ultrabásica tipo peridotita (olivino, serpentina, Cr-espinela).

Lado mayor de la imagen = 6.5 mm.

Misma zona, con polarizadores cruzados. En la enstatita, en posición de extinción, se pueden ver exsoluciones de clinopiroxeno (augítico).